0
  • 聊天消息
  • 系统消息
  • 评论与回复
登录后你可以
  • 下载海量资料
  • 学习在线课程
  • 观看技术视频
  • 写文章/发帖/加入社区
会员中心
创作中心

完善资料让更多小伙伴认识你,还能领取20积分哦,立即完善>

3天内不再提示

12路1080P高清视频流,米尔RK3576 开发板重塑视频处理极限

米尔电子 ? 2025-08-14 08:06 ? 次阅读
加入交流群
微信小助手二维码

扫码添加小助手

加入工程师交流群

智能视觉技术不断发展的今天,多路摄像数据的处理与传输已成为众多应用场景的核心需求。从智能安防监控领域的全面覆盖,到工业视觉处理网关的精准检测,再到车载环视融合平台的实时驾驶辅助以及智慧社区AI防控的快速响应,多路摄像数据的处理与传输已成为关键需求,而高效且低延时的解决方案则是实现这些应用的核心。

目前多路摄像传输方案往往存在一定局限,接入路数有限,难以满足大规模监控场景的需求,且延迟较高,影响实时性,编码效率也不尽如人意,通常会占用大量带宽和存储资源。然而,米尔电子在瑞芯微RK3576核心板上实现了12路高清视频流H264高效编码与RTSP低延迟推流,端到端延迟约140ms。下面为大家介绍米尔是如何实现12路高清视频流的低延迟端到端传输。

一、MYD-LR3576开发板强大性能架构:

MYD-LR3576开发板,采用先进8nm制程工艺,集成四核Cortex-A72(主频2.2GHz)与四核Cortex-A53(主频2.0GHz),配备Mali-G52 MC3图形处理单元,VPU视频编解码单元,以及搭配6TOPS算力NPU。

93f74fae-78a2-11f0-9080-92fbcf53809c.png

米尔基于RK3576开发板

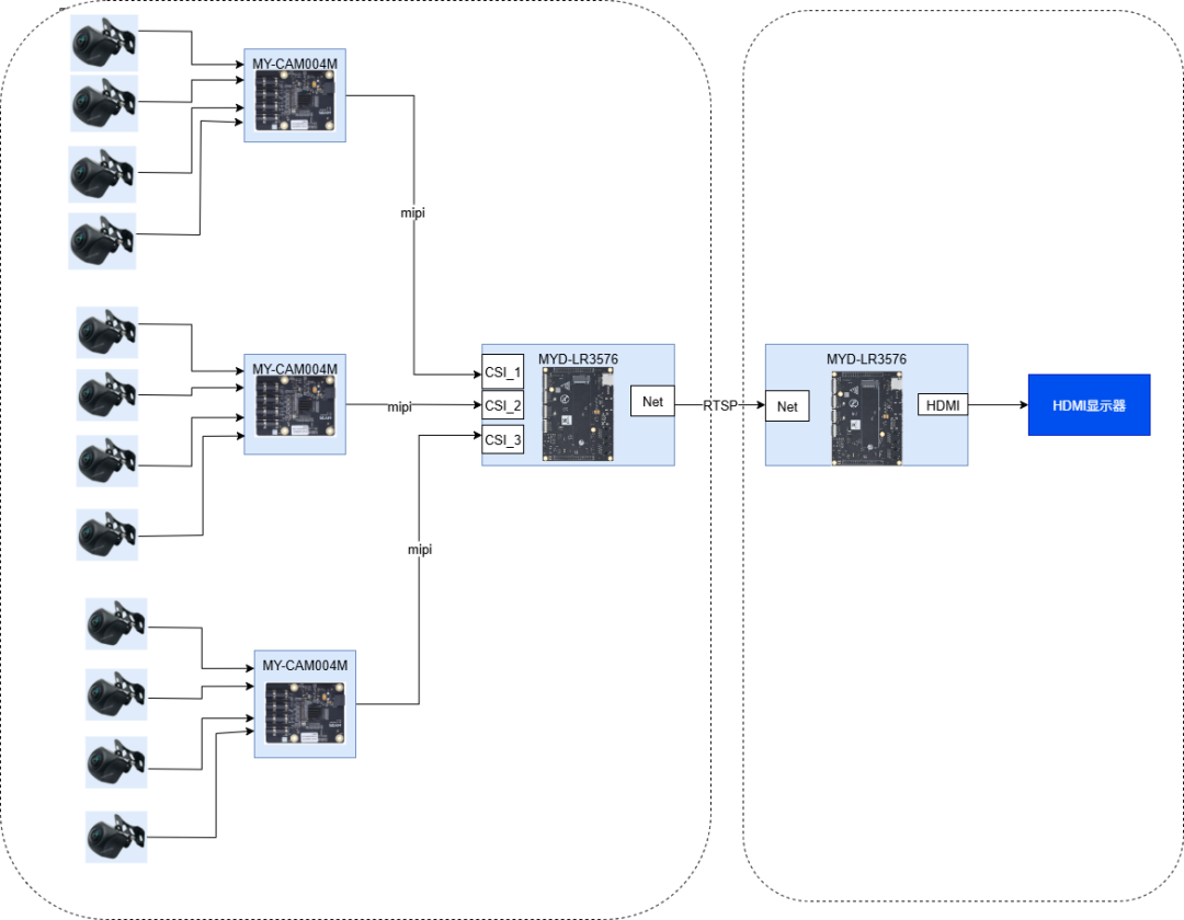
二、12路摄像头采集编码后通过RTSP推流,另一侧解析后显示


视频演示了RK3576获取12路 1920x1080 30fps摄像头数据,编码后通过网线传输到另一个3576板子显示过程,摄像头对着秒表能看到延迟时间。

941280b2-78a2-11f0-9080-92fbcf53809c.png

STEP1:使用12路AHD摄像头抓流后编码推流

MYD-LR3576开发板拥有3路4lan MIPI-CSI接口,搭配MY-CAM004M视频转换模块可以接入12路(1920*1080 30帧)AHD高清摄像头,使用RGA图片处理后再经过VPU单元模块编码成H264码流通过网络RTSP推流。此过程视频延迟在80~100ms以内。

抓取视频流编码后RTSP推送流程:


9422000a-78a2-11f0-9080-92fbcf53809c.png

R

GA处理单元占有率

942f0458-78a2-11f0-9080-92fbcf53809c.png

CPU处理单元占有率

9441eb22-78a2-11f0-9080-92fbcf53809c.png

STEP2:MYD-LR3576开发板接收视频流显示:

945bffe4-78a2-11f0-9080-92fbcf53809c.png

CPU占有率

946bf39a-78a2-11f0-9080-92fbcf53809c.png

GPU占有率

947ea26a-78a2-11f0-9080-92fbcf53809c.png

由于通过网络传输和解码,会产生40~50ms左右延迟,最终从视频抓取,编码,RTSP传输,再到解码播放延迟在120~150ms。

对比两个过程各单元占用情况

94907940-78a2-11f0-9080-92fbcf53809c.png

三、广泛的应用场景

工业安防下12路摄像头对于RK3576只能算是热身,别忘了它还有6TOPS的NPU没发挥,它也能胜任如下应用场景:

智能安防监控领域:作为中枢核心,轻松驾驭多路监控摄像头的视频流,实现全方位、无死角的实时监控。

工业视觉处理网关:精准处理工业生产中的各类视觉数据,助力智能制造。

车载环视融合平台:将多个车载摄像头的画面高效融合,为驾驶安全保驾护航。

智慧社区AI防控高空抛物监测,陌生人预警,电动车进电梯等。

综上所述,米尔电子基于瑞芯微RK3576核心板打造的解决方案,成功解决了多路高清视频流接入、高效编码与低延迟传输的问题,为智能视觉应用的实时性与可靠性提供了强有力的支撑。后续我们将分享在米尔RK3576核心板上实现AI处理多路视频流的相关内容,敬请期待!

声明:本文内容及配图由入驻作者撰写或者入驻合作网站授权转载。文章观点仅代表作者本人,不代表电子发烧友网立场。文章及其配图仅供工程师学习之用,如有内容侵权或者其他违规问题,请联系本站处理。 举报投诉
  • AI
    AI
    +关注

    关注

    88

    文章

    36372

    浏览量

    285161
  • 开发板
    +关注

    关注

    25

    文章

    5882

    浏览量

    108043
  • 视频处理
    +关注

    关注

    2

    文章

    100

    浏览量

    19216
  • 米尔电子
    +关注

    关注

    1

    文章

    162

    浏览量

    879
收藏 人收藏
加入交流群
微信小助手二维码

扫码添加小助手

加入工程师交流群

    评论

    相关推荐
    热点推荐

    12 1080P 满负载!米尔 RK3576 补全车载 360° 全景影像视野

    RK3576 开发板的价值,不止于 12 1080P 的 “
    发表于 09-11 17:16

    【作品合集】米尔RK3576开发板测评

    米尔RK3576开发板测评作品合集 产品介绍: RK3576 是瑞芯微一款面向AI市场推出的高性能处理器,它配备了四核Cortex-A72和
    发表于 09-11 10:19

    RK3576助力智慧安防:8高清采集与AI识别

    RK3576核心的技术平台如何匹配安防需求? 多路高清采集与拼接:支持81080P AHD摄像头同步采集,通过
    发表于 08-22 17:41

    RK3576赋能无人机巡检:多路视频+AI识别引领智能化变革

    续航; 4)数据回传延迟会影响地面指挥决策。2. 米尔RK3576的技术优势? 多路高清视频采集:RK3576通过
    发表于 08-20 17:26

    121080P高清视频米尔RK3576 开发板赋能车载360环视

    Cortex-A53(主频2.0GHz),配备Mali-G52 MC3图形处理单元,VPU视频编解码单元,以及搭配6TOPS算力NPU。米尔基于RK3576
    发表于 08-14 14:01

    基于RK3576开发板的PWN使用说明

    RK3576开发板使用PWN教程及Demo
    的头像 发表于 05-07 14:07 ?1558次阅读
    基于<b class='flag-5'>RK3576</b><b class='flag-5'>开发板</b>的PWN使用说明

    国产开发板的端侧AI测评-基于米尔瑞芯微RK3576

    ,国产自主可控必须搞起来。那与非网本期内容就跟自主可控强关联——评测一款基于国产SoC的板卡,由米尔电子推出的瑞芯微RK3576开发板(MYD-LR3576)。
    发表于 02-14 16:29

    米尔瑞芯微RK3576实测轻松搞定三屏八摄像头

    米尔的MYD-LR3576开发板以其高性能和稳定性,非常适合用于工程机械的智能控制系统开发。 高端显控系统: 在高端显控系统领域,RK357
    发表于 01-17 11:33

    米尔RK3576开发板评测】+项目名称值得购买的米尔RK3576开发板

    一些项目上,换芯片,换开发板,能省点事儿。 米尔的核心采用12层高密度PCB设计,沉金工艺,无铅焊锡,有独立的接地信号层。 尺寸43x45mm,集成了
    发表于 01-08 22:59

    人脸疲劳检测应用-米尔基于RK3576核心/开发板

    本文将介绍基于米尔电子MYD-LR3576开发板米尔基于瑞芯微RK3576开发板)的人脸疲劳检
    的头像 发表于 12-20 08:06 ?1099次阅读
    人脸疲劳检测应用-<b class='flag-5'>米尔</b>基于<b class='flag-5'>RK3576</b>核心<b class='flag-5'>板</b>/<b class='flag-5'>开发板</b>

    米尔RK3576开发板评测】+项目名称【米尔RK3576开发板评测】一个视频和你共同认识一下米尔RK3576开发板

    收到米尔RK3576开发板后,也对米尔RK3576开发板进行了了解,
    发表于 12-18 20:50

    米尔RK3576开发板评测】带你初步了解米尔RK3576这块开发板

    这几天刚收到米尔邮寄过来的米尔RK3576开发板,收到板子的拆箱的第一感觉就是惊艳。巴掌大小的一块开发板上集成度非常高,布线很合理,元件布局
    发表于 12-18 20:35

    追加名额丨米尔瑞芯微RK3576开发板有奖试用

    米尔与瑞芯微合作发布的新品基于瑞芯微RK3576应用处理器的MYD-LR3576开发板免费试用活动加码啦~~
    的头像 发表于 11-22 01:00 ?822次阅读
    追加名额丨<b class='flag-5'>米尔</b>瑞芯微<b class='flag-5'>RK3576</b><b class='flag-5'>开发板</b>有奖试用

    有奖丨米尔 瑞芯微RK3576开发板免费试用

    米尔与瑞芯微合作发布的新品基于瑞芯微RK3576应用处理器的MYD-LR3576开发板免费试用活动来啦~~
    的头像 发表于 11-12 01:00 ?997次阅读
    有奖丨<b class='flag-5'>米尔</b> 瑞芯微<b class='flag-5'>RK3576</b><b class='flag-5'>开发板</b>免费试用

    米尔RK3576开发板特惠活动!

    近日,米尔电子发布基于瑞芯微RK3576核心开发板RK3576作为国产热门处理器,其高性能
    的头像 发表于 11-12 01:00 ?1342次阅读
    <b class='flag-5'>米尔</b><b class='flag-5'>RK3576</b><b class='flag-5'>开发板</b>特惠活动!